I am working on making a custom gripper for the Tormach ZA6, I want to plug into the M12 output connectors on the power cart, but I can’t find a description of what the signal for each of the pins is. Can anyone explain what the signal is for each of these pins (power, ground, relay, etc)? I am using the ZA6 revision 5:
Alex,
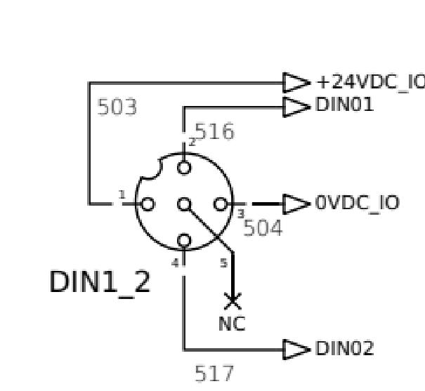
Apologies! The pinout for those connectors is more clearly described in the earlier schematics. We could have done better with that section on Rev 5.
For both input and output connectors, pin 1 is 24V and pin 3 is ground. For the inputs, applying 24V to either pins 2 or 4 will cause an input to go active in the software. For example wiring a switch from pin 1 (24V) to pin 2 (digital input) will cause that input to go active when the switch is closed.
For the outputs, toggling the output in the software will apply 24V to pin 2 or 4 (depending on the output number selected.) That 24V supply is stiff enough to drive an LED or a relay or contactor coil, but not more than that.
1 Like


